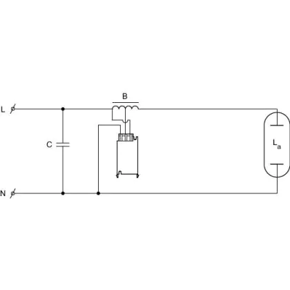
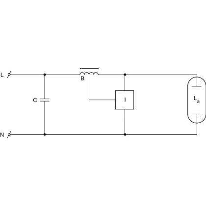
Philips HID-HighPower BSN 1000 L78 230/240V 50Hz HP-257
Waarom kan ik geen beschikbaarheid of prijzen zien?
Je kunt de beschikbaarheid en onze lage prijzen alleen zien als je inlogt. Je kunt wel ons assortiment verkennen. Nog geen klant? Vraag jouw account aan door te registreren.
Specificaties
Reset
Algemene informatie
|
i
De aanbevolen hoeveelheid verwijst naar het aantal producten dat door de fabrikant is voorverpakt. Wanneer je deze hoeveelheid koopt, leveren wij de producten in het originele pakket van de fabrikant.
|
Aanbevolen aantal | 1 |
|---|
Algemene informatie
| Artikelnummer | 180335 | |
|---|---|---|
| EAN | 8711500996640 | |
| EOC FR | 996640 | |
| Merk | Philips | |
| Fabrikantnaam | BSN 1000 L78-A2 230/240V 50Hz HP-257. | |
|
i
Onze All-in garantie is volledig in de productprijs inbegrepen en dekt zowel verborgen gebreken als technische gebreken van het product die zijn opgetreden vóór levering. De garantietermijn verschilt per product en loopt uiteen van 1 jaar tot maximaal 7 jaar.
|
Garantie | 1 jaar |
Technische Informatie
|
i
De techniek geeft de werkingsbasis van een lichtbron aan. Het meest bekende en energiezuinige voorbeeld hiervan is LED. Andere technieken zijn onder andere halogeen, gasontlading, TL (fluorescerend) en de gloeilamp.
|
Technologie | Accessory |
|---|---|---|
|
i
De levensduur is een indicatie van het aantal uur dat een product mee gaat. Het gaat hierbij alleen om de uren dat het product daadwerkelijk aan staat. Bij LED verlichting ligt de levensduur aanzienlijk hoger dan bij conventionele verlichting. LED verlichting gaat dus veel langer mee. Hoe lang je een product daadwerkelijk kunt gebruiken, ligt aan de mate van het (dagelijks) gebruik.
|
Levensduur (uur) | 0 |
| Geschikt voor lamptype | HPI, HPL, MH, SON | |
| VSA voor lamptype | HPI, HPL, MH, SON | |
|
i
Het wattage geeft weer hoeveel energie een LED lamp, LED armatuur of conventionele lichtbron verbruikt tijdens het verlichten. Bij LED verlichting is het aantal Watt aanzienlijk lager dan bij conventionele verlichting.
|
Wattage | 0 |
| Maximale Wattage Lamp | 1000 | |
| Armatuur Aansluiting | Schroef | |
| Aantal benodigde lampen | 1 | |
| Type assesoires | Ballast |
Sensor Informatie
|
i
Verlichting met een sensor brandt enkel wanneer deze een bepaald signaal krijgt. Dit zorgt voor minder energiekosten. De (ingebouwde) sensoren reageren op duisternis (schemerschakelaar) en/of op beweging (bewegingssensor).
|
Sensortype | Geen sensor |
|---|